|
產品名稱:偏心半球閥
產品口徑:DN50-1000
產品壓力:1.6MPa-10MPa
產品材質:鑄鋼,不銹鋼等
偏心半球閥,PBQ340H偏心半球閥具有開啟力小,關閉能破除結垢障礙,實現密封性能好等特點,耐磨。偏心半球閥的耐磨腐蝕材質,因而被廣泛的應用在水,蒸汽,污水,石油化工,天然氣,溶液及礦漿等兩相介質,及塵埃氣體等的理想傳輸設備。 偏心半球閥是一種實用操作型的產品,其執行機構上配備液動執行裝置,更方便用戶操作輕便,遠距離自動化操作,發展了半球閥的用途范圍,特別在惡劣的環境下不方便與人工操作或常開動作時,配套自動化電腦操作情況下,半球閥,更為開創了新創意。 偏心半球閥,PBQ340H偏心半球閥的結構原理是半球體中線與閥桿中線偏置尺寸,與閥座中線偏置尺寸,全開時球體與閥座完全脫開,并有一定的間隙,回轉半徑分為長半徑和短半徑,在長半徑轉動軌跡的切線會與閥座密封面形成一個θ角,在閥門啟閉時,半球相對閥座面有一個漸出脫離和漸入擠壓的作用,從而降低了啟閉時閥座與半球之間的機械磨損和擦傷,提高了使用壽命。 偏心半球閥,PBQ340H偏心半球閥產品標準規范:1.設計與制造:GB/T12237 2.壓力試驗:GB/T13927 3.法蘭連接尺寸;GB/T9113.1-9113.4、 GB/T17241.6、JB/T79.1-79.4 、HG20596 偏心半球閥,PBQ340H偏心半球閥 產品【適用工礦】:可廣泛應用于含纖維,固體顆粒,粉塵,料漿,污水及易結晶等各種介質的管道系統,作啟閉及調節流量用。 偏心半球閥【產品特色】: 1.產品采用半球結構,臥裝方式,開啟后半球體位于通道上方,完全脫離通道,因此閥門流通能力大,不沉積雜質. 2.半球體采用三偏心結構,開啟時迅速脫離閥座,有效防止密封面的摩擦損傷,并減小了操作力矩,延長了閥門的壽命。 3.半球體高硬度密封面與金屬閥座配合具有剪切作用,能剪斷鐵絲及各種纖維織物,不纏繞,不沉積。是污水處理系統首選閥門。 偏心半球閥,PBQ340H偏心半球閥特點如下: 1. 開關方便:啟閉時球面與閥體相脫離,無任何接觸,扭矩小,轉動靈活,啟閉時半球閥座的剪切作用能切去密封面上的結垢及粘連物,能保持密封嚴緊。 2. 直通式:單向密封和偏心式結構,開啟時球與閥體相脫離,流道直通,不會出現卡、堵現象。 3. 閥門屬于硬密封結構,密封副根據不同介質,使用不同的耐磨合金材質,而且還具有堅硬的耐磨性與相應的耐腐蝕性。 4. 密封面的偏心結構使球面能自動補償磨損,保持閥門的密封性,使用壽命長,安全可靠。 偏心半球閥實物圖
偏心半球閥,PBQ340H偏心半球閥性能參數
材料明細表
主要零件材料
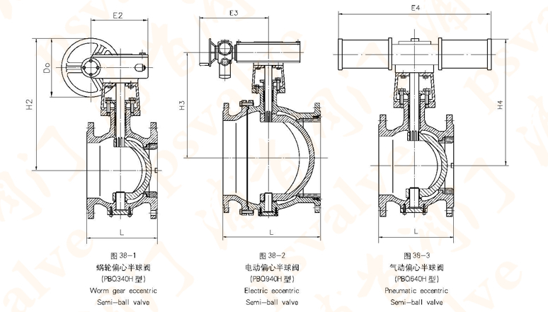
偏心半球閥,PBQ340H偏心半球閥尺寸圖:
|
||||||||||||||||||||||||||||||||||||||||||||||||||||||||||||||||||||||||||||||||||||||||||||||||||||||||||||||||||||||||||||||||||||||||||||||||||||||||||||||||||||||||||||||||||||||||||||||||||||||||||||||||||||||||||||||||||||||||||||||||||||||||||||||||||||||||||||||||||

關注官方微信