|
產品名稱:Y型三通球閥
產品口徑:DN50-300
產品壓力:1.6MPa-6.4MPa
產品材質:鑄鋼,不銹鋼等
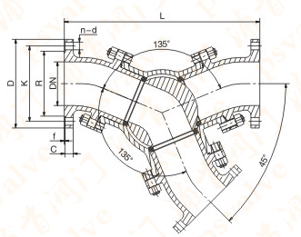
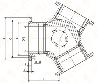
三通Y型球閥_(120度角,135度角)三通Y型球閥有相互成120°、135°二種閥體結構形式,Y型三通球閥流道平坦、流體阻力小,流通能力強。切換時介質無滯留,不會造成二次污染。可配電動執行器、氣動執行器實現自動化控制。 y型三通球閥標準技術參數 閥體 公稱通徑:DN50-DN250 y型三通球閥閥內組件 閥座密封:PTFE:-30℃~180℃ y型三通球閥性能 流道形成120度切換,流道平坦、阻力小、流通能力強 介質無滯留 軟密封最高溫度250度 硬密封最高425度 泄漏量:零泄漏 回差:±2.5% 設計制造標準 設計制造:GB/T12238-2008 連接標準:JB/T 79.1-1994 結構長度:GB/T12221-2005 壓力試驗:GB/T13927-2008 氣動執行器 雙作用: 通氣開、通氣關,氣源故障保持當前位置 單作用氣開式: 通氣開、斷氣關,氣源故障關閉 單作用氣關式: 通氣關、斷氣開,氣源故障打開 可選附件: 換向電磁閥、限位開關、空氣過濾減壓閥、電氣定位器、手輪機構、保位閥 電氣部分可以選防爆 電動執行器
135度Y型三通球閥流向圖 120度Y型三通球閥流向圖,三種組合,請選擇一種流向組合
120度Y型三通球閥尺寸圖
135度Y型三通球閥尺寸圖
|


關注官方微信