|
產品名稱:氣動保溫球閥
產品型號:QB641F
產品口徑:DN20-200
產品壓力:1.6MPa-6.4MPa
產品材質:鑄鋼,鍛鋼,不銹鋼等
產品口徑:DN20-200
產品壓力:1.6MPa-6.4MPa
產品材質:鑄鋼,鍛鋼,不銹鋼等
氣動保溫球閥采用一體化結構執行器:執行器形式、控制方式、控制信號(4-20MA)、作用方式(氣-開式,氣-關式)該產品具有良好的保溫保冷特性,且閥門的通徑和管徑一至,介質呈直線流動,阻力小,最適合容易...
氣動保溫球閥采用一體化結構執行器:執行器形式、控制方式、控制信號(4-20MA)、作用方式(氣-開式,氣-關式)該產品具有良好的保溫保冷特性,且閥門的通徑和管徑一至,介質呈直線流動,阻力小,最適合容易凝固、高粘度的液體介質。同時又能有效降低管路中介質的熱量損失。整體式夾套設計,更能均勻地保溫、保冷。夾套、閥體外側與夾套接管焊接,允許蒸汽或冷水的最高壓力為1MPa。主要用于石油、化工、制藥、食品等各類系統中,以輸送常溫下會凝固的高粘度介質。 氣動保溫球閥實物圖片
氣動保溫球閥相關資料: 主要零件材質表
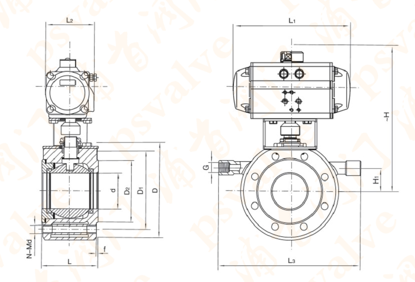
注:連接法蘭尺寸可根據ANSI、JIS標準或用戶要求設計制造。
|
|||||||||||||||||||||||||||||||||||||||||||||||||||||||||||||||||||||||||||||||||||||||||||||||||||||||||||||||||||||||||||||||||||||||||||||||||||||||||||||||||||||||||||||||||||||||||||||||||||||||||||||||||||||||||||||||||||||||||||||||||||||||||||||||||||||||||||||||||||||||||||||||||||||||||||||||||||||||||||||||



關注官方微信