|
產品名稱:PQ41F,PQ41M不銹鋼排污球閥
產品型號:PQ41F、PQ41M
產品口徑:DN15~DN100
產品壓力:1.6MPa~4.0MPa
產品材質:WCB鑄鋼、不銹鋼304
產品口徑:DN15~DN100
產品壓力:1.6MPa~4.0MPa
產品材質:WCB鑄鋼、不銹鋼304
產品名稱:不銹鋼排污球閥 產品型號:PQ41F、PQ41M 公稱通徑:DN15~DN100結構形式:球形公稱壓力:1.6MPa~4.0MPa連接方式:法蘭適用溫度:-29ºC~+350&or
產品說明PQ41F、PQ41M不銹鋼排污球閥是采用新型密封材料為閥座,采用新型密封材料為閥座,使用壽命提高了3-5倍。具有性能穩定、密封可靠、磨擦力小、開關輕便、耐高溫、耐磨、耐油、耐腐蝕、使用壽命長等優點,“劍閥”牌高溫球閥與截止閥、柱塞閥、排污閥,結構長度相符,擴大了球閥使用范圍,廣泛用于石油、化工、橡膠、造紙、制藥等行業,可替代截止閥、柱塞閥、快速排污閥。適用介質:水、蒸汽、導熱油等酸類,使用溫度:≤350℃。結構特點1、優質的密封圈材料具有耐高溫、耐腐蝕之性能。2、安裝簡便,能以任意方向安裝于管道中的任意部位。 3、閥體內通道平整光滑,可以輸送粘性流體、漿液以及固體顆粒。 4、一體式結構體積小、安裝方便的特點,又具有國標法蘭全通徑不易泄漏的優點。 性能參數
零部件材料
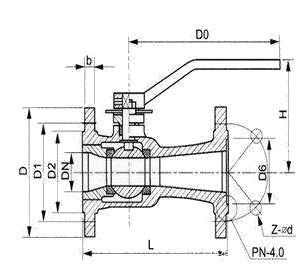
外形結構圖![]() 主要外形尺寸
結構特點及作用原理該型閥門中的球體、密封圈采用了特殊的加工工藝和最新密封材料,使球體表面粗糙度和圓度達到標準要求,從而提高了密封性能和使用壽命、耐高溫的能力。順時板動手柄帶動閥桿驅動球體旋轉,使介質順利通過。
|
|||||||||||||||||||||||||||||||||||||||||||||||||||||||||||||||||||||||||||||||||||||||||||||||||||||||||||||||||||||||||||||||||||||||||||||||||||||||||||


關注官方微信