|
產品名稱:LPG-U型筒式過濾器
產品型號:LPG
產品口徑:DN15~DN200
產品壓力:
產品材質:鑄鋼、不銹鋼
產品口徑:DN15~DN200
產品壓力:
產品材質:鑄鋼、不銹鋼
產品名稱:U型筒式過濾器 產品型號:LPG 公稱通徑:DN15~DN200結構形式:U型工作壓力:1.6MPa~2.5MPa連接方式:法蘭適用溫度:-29ºC~+350ºC功能作用
產品說明LPG-U型筒式過濾器屬于管道過濾器系列,安裝在管道上能除去流體中的較大固體雜質,使機器設備、儀表能正常工作和運轉,達到穩定工藝過程,保障安全生產的作用。U型筒式過濾器適用于化工、食品、飲料、水處理行業進行粗精過濾大道綠色產品標準。我公司所生產的U型筒式過濾器能根據客戶具體要求定制各種過濾器。主要特點U型筒式過濾器整體式閥體設計、可更換的過濾內件、多種過濾結構設計、濾網精度18~500目可選、常規30目設計、雙排放接口、標準法蘭連接。廣泛用于蒸汽、空氣、水、油品等系統管道中,保護各種計量儀器、泵機、閥門、蔬水器等設備。壓力損失小,流通面積大,抗污性強,排污方便,排污方便。性能規范
零部件材料
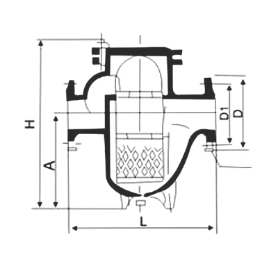
外形結構圖![]() 主要外形尺寸
|
||||||||||||||||||||||||||||||||||||||||||||||||||||||||||||||||||||||||||||||||||||||||||||||||||||||||||||||||||||||||||||||||||||||||||||||||||||||||||||||||||||||||||||||||||||||||||||||||||||||||||||||||||||||||||||||||||||||||


關注官方微信