|
產品名稱:FGP4X給水管道復合式高速進排氣閥
產品型號:FGP4X
產品口徑:DN15~DN200
產品壓力:1.6MPa-2.5MPa
產品材質:鑄鐵、鑄鋼、不銹鋼
產品口徑:DN15~DN200
產品壓力:1.6MPa-2.5MPa
產品材質:鑄鐵、鑄鋼、不銹鋼
產品名稱:給水管道復合式高速進排氣閥 產品型號:FGP4X 公稱通徑:DN15~DN200結構形式:浮球式公稱壓力:1.6MPa-2.5MPa連接方式:法蘭式適用溫度:-29ºC~+80&o
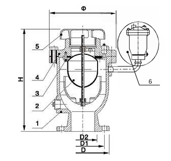
產品說明FGP4X給水管道復合式高速進排氣閥可防止浮球在高速氣流中被吹起而堵塞排氣口,造成排氣閥失效。 為防止閥口被吹堵,傳統式高速進排氣閥在入口設置護筒,使閥門在結構上變得復雜。產品特點1、充水時高速排氣,不怕吹堵。2、放水時高速吸氣。 4、正常壓力下微量排氣。 工作原理FGP4X給水管道復合式高速進排氣閥是利用伯努利理論制造的一種能夠在氣流下保持全開,當實心水柱上升時,浮球能夠馬上被浮起并嚴密封閉排氣口的浮球式排氣閥。該閥采用特定的浮球直徑,使得它產生的氣流動力能維持浮球在氣流經過時開啟(懸浮),實心水柱上升時產生的浮力又能使其浮起,配之入口處以一個合適角度的圓錐體,可做到不管氣壓多大、氣流速度多高,排氣口也不會被吹堵。外形結構圖![]() 主要外形尺寸
安裝要求1、于安裝前,請先檢查并清除主體內的雜物。2、在閥前裝一只閘閥,以便下次的安裝維修。閥如果安裝于蔭井內,應有足夠空間以便容納技術人員調整及維護工作。 3、若排氣閥安裝于室外,請注意閥門的保溫,以防閥門內水結冰或凍裂閥門。 4、若排氣閥所在管線送斷水頻繁,建議在排氣閥前加裝一個緩沖閥。 5、給水管道復合式高速進排氣閥常見的安裝地點有以下幾個位置:局部最高點、下降坡度變大點、上升坡度變小點、長距離無折點上升或下降管段。 安裝位置的選擇排氣閥的安裝位置直接影響著排氣效果和管道的運行狀態。設計人員在設計時,往往局限于局部最高點,排氣閥的安裝位置有多種,只有對整個管道綜合考慮,才能使排氣效果達到最佳。常見的安裝地點有以下幾個位置:局部最高點、下降坡度變大點、上升坡度變小點、長距離無折點上升或下降管段。安裝總圖![]()
|



關注官方微信