|
產品名稱:G41F46襯四氟隔膜閥
產品型號:G41F46
產品口徑:DN15~DN300
產品壓力:0.6MPa~1.0MPa~1.6MPa
產品材質:鑄鋼、不銹鋼
產品口徑:DN15~DN300
產品壓力:0.6MPa~1.0MPa~1.6MPa
產品材質:鑄鋼、不銹鋼
產品名稱:襯四氟隔膜閥 產品型號:G41F46 公稱通徑:DN15~DN300結構形式:直通公稱壓力:0.6MPa~1.0MPa~1.6MPa連接方式:法蘭適用溫度:-29ºC~+180&o
產品說明G41F46襯四氟隔膜閥將閥體下部內腔與閥蓋內腔隔開,并與之形成直流通道,使隔膜上部的閥桿、閥瓣等內件與介質完全隔離,省去填料密封結構,介質的內漏和外漏可同時避免。表面均勻包覆一層FEP。閥體通道內表面光滑,流體阻力小,CV值高,流通能力強,扭矩適中,采用四級密封結構并在密封面外配以耐溫抗老化的SI橡膠的彈性襯墊閥座,完全達到介質的零泄漏。結構特點1、彈性密封的開閉件,確保沒有內漏;2、流線型的流道,使得壓力損失??; 3、沒有填料函,因此沒有外漏; 4、閥體與蓋被中間隔膜隔開,使得隔膜上方的閥蓋,閥桿零件不受介質侵蝕; 5、隔膜可更換,維護費用低; 6、襯氟材料的多樣性,可適用于各種介質,并具有良好的耐腐蝕性。 基本型號
零部件材料
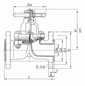
外形結構圖![]() 主要外形尺寸
|
|||||||||||||||||||||||||||||||||||||||||||||||||||||||||||||||||||||||||||||||||||||||||||||||||||||||||||||||||||||||||||||||||||||||||||||||||||||||||||||||||||||||||||||||||||||||||||||||||||||||||||||||||||||||||||||||||||||||||||||||||||||||||||||||||||||||||||||||||||||||||||||||||||||||||||||||||||||||||||||||||||||||||||||||||||||||||||||||||||||||||||||||||||||||||||||||||||||||||||||||||||||||||||||||||||||||||||||||||||||||||||||||||||||||||||||||||||||||||||||||||||||||||||||||||||||||||||||||||||||||||||||||||||||||||


關注官方微信