|
產品名稱:ZXS氣動角型調節閥
產品型號:ZXS
產品口徑:DN20~DN200
產品壓力:1.6MPa~6.4MPa
產品材質:鑄鋼、不銹鋼
產品口徑:DN20~DN200
產品壓力:1.6MPa~6.4MPa
產品材質:鑄鋼、不銹鋼
產品名稱:氣動角型調節閥 產品型號:ZXS 公稱通徑:DN20~DN200結構形式:角型公稱壓力:1.6MPa~6.4MPa連接方式:法蘭適用溫度:-29ºC~+550ºC驅動方式
產品說明ZXS氣動角型調節閥是采用頂部導向結構,由多彈簧氣動薄膜執行機構和角式調節閥閥體組成。氣動角型調節閥具有結構緊湊、重量輕、動作靈敏、流體通道呈流線型、壓降損失小、閥容量大、流量特性精確、拆裝方便等優點。氣動角型調節閥配用電-氣閥門定位或氣動閥門定位器,可實現對工藝管路流體介質的自動調節控制。氣動角式高壓調節閥具有體積小、重量輕、閥芯采用頂導向結構,流路簡單、阻力小、易于沖洗的特點。氣動角型調節閥廣泛應用于精確控制氣體、液體等介質,工藝參數如壓力、流量、溫度、液位保持在給定值。氣動角式高壓調節閥特別適用于允許泄露量小閥前閥后壓差不大的高粘度、含有懸浮物和顆粒狀物質的的調節,可避免結焦、堵塞,便于自凈與清洗的場合 。閥體
閥內組件
執行機構
氣關式(B)- 失氣時閥位開(FO);氣開式(K)一失氣時閥位關(FC) 附件 定位器、空氣過濾減壓器、保位閥、行程開關、閥位傳送器、手輪機構等 性能
額定流量系數Kv、額定行程
允許壓差
外形結構圖![]() 主要外形尺寸
1、 表中重量為不帶附件標準數據,也可安裝側裝式手輪。 2、閥門法蘭及法蘭端面距可按用戶指定標準制造,如:ANSI,JIS,DIN標準。 外形結構圖![]() 主要外形尺寸
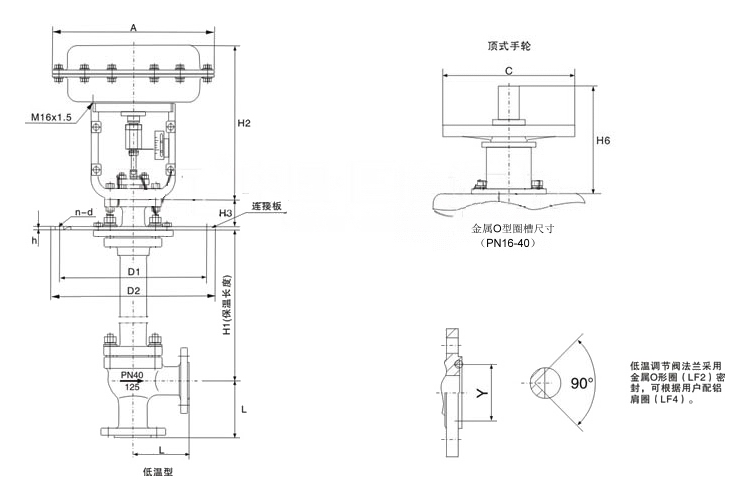
1、保溫長度以700mm為例,表中重量為PN16數據,也可安裝側裝式手輪。 2、閥門法蘭及法蘭端面距可按用戶指定標準制造,如:ANSI,JIS,DIN標準。
|
||||||||||||||||||||||||||||||||||||||||||||||||||||||||||||||||||||||||||||||||||||||||||||||||||||||||||||||||||||||||||||||||||||||||||||||||||||||||||||||||||||||||||||||||||||||||||||||||||||||||||||||||||||||||||||||||||||||||||||||||||||||||||||||||||||||||||||||||||||||||||||||||||||||||||||||||||||||||||||||||||||||||||||||||||||||||||||||||||||||||||||||||||||||||||||||||||||||||||||||||||||||||||||||||||||||||||||||||||||||||||||||||||||||||||||||||||||||||||||||||||||||||||||||||||||||||||||||||||||||||||||||||||||||||||||||||||||||||||||||||||||||||||||||||||||||||||||||||||||||||||||||||||||||||||||||||||||||||||||||||||||||||||||||||||||||||||||||||||||||||||||||||||||||||||||||||||||||||||||||||||||||||||||||||||||||||||||||||||||||||||||||||||||||||||||||||||||||||||||||||||||||||||||||||||||



關注官方微信