|
產品名稱:ZJHPF46氣動薄膜襯氟調節閥
產品型號:ZJHPF46
產品口徑:DN20~DN150
產品壓力:1.6MPa~2.5MPa
產品材質:鑄鋼、不銹鋼
產品口徑:DN20~DN150
產品壓力:1.6MPa~2.5MPa
產品材質:鑄鋼、不銹鋼
產品名稱:氣動薄膜襯氟調節閥 產品型號:ZJHPF46 公稱通徑:DN20~DN150結構形式:直通式公稱壓力:1.6MPa~2.5MPa連接方式:法蘭適用溫度:-29ºC~+180&ord
產品說明ZJHPF46氣動薄膜襯氟調節閥是由氣動薄膜執行機構直通單座襯氟調節閥閥體兩部分組成。采用頂部導向結構,配用多彈簧執行機構,具有結構緊湊、重量輕、動作靈敏、流體通道呈S流線型、壓降損失小、閥容量大、流量特性精確、拆裝方便等優點。廣泛應用于精確控制氣體、液體等介質的工藝參數對壓力、流量、溫度、液位保持在給定值。氣動襯四氟調節閥閥體接觸腐蝕介質的部位均采用耐腐蝕、抗老化的聚全氟乙丙烯,高壓襯氟塑工藝,又采用聚四氟乙烯波紋管密封。襯四氟氣動調節閥具有對酸、堿等高強腐蝕介質和有毒揮發的氣體、液體介質流量的調控。因而襯四氟氣動調節閥廣泛適用于化工、冶金、醫藥等行業中。產品特點(1)耐腐性好:閥體內腔、閥芯、閥座、均包襯有3mm厚的聚全氟乙丙烯,能耐強腐蝕性流體。(2)密封性能好:采用聚四氟乙烯波紋管和填料雙重密封。 (3)泄漏量少:由于閥芯、閥座是軟密封的泄漏量遠遠低于國家Ⅳ級標準。 (4)調節精度高:采用精小型的氣動執行機構和電動執行機構,體積小,重量輕。 (5)特別適用于允許泄漏量小且閥前后壓差不大的場合。本系列產品有標準型、調節切斷型。產品公稱壓力等級有PN0.6、1.0、1.6、2.5、class 150LB;公稱通徑范圍DN20~300;使用溫度由-20℃~ 200℃范圍內多種檔次;泄漏等級VI級,流量特性為線性或等百分比。 結構特征![]() 氣開-氣關正反作用![]() 技術參數
執行機構
性能指標
零件材料
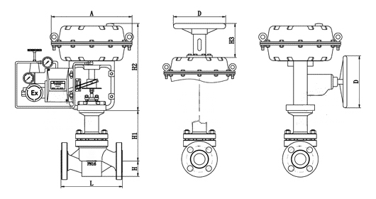
外形結構圖![]() 主要外形尺寸
|
|||||||||||||||||||||||||||||||||||||||||||||||||||||||||||||||||||||||||||||||||||||||||||||||||||||||||||||||||||||||||||||||||||||||||||||||||||||||||||||||||||||||||||||||||||||||||||||||||||||||||||||||||||||||||||||||||||||||||||||||||||||||||||||||||||||||||||||||||||||||||||||||||||||||||||||||||||||||||||||||||||||||||||||||||||||||||||||||||||||||||||||||||||||||||||||||||||||||||




關注官方微信