|
產品名稱:H42H,H42W不銹鋼立式止回閥
產品型號:H42H、H42W
產品口徑:DN15~DN300
產品壓力:1.6MPa~4.0MPa
產品材質:鑄鐵、鑄鋼、不銹鋼
產品口徑:DN15~DN300
產品壓力:1.6MPa~4.0MPa
產品材質:鑄鐵、鑄鋼、不銹鋼
產品名稱:不銹鋼立式止回閥 產品型號:H42H、H42W 公稱通徑:DN15~DN300結構形式:立式公稱壓力:1.6MPa~4.0MPa連接方式:法蘭適用溫度:-29ºC~+425&ord
產品說明H42H、H42W不銹鋼立式止回閥本系列閥門正常處于關閉狀態,由于管線中進口端介質的壓力作用,而克服彈簧阻力使閥門開啟。當進口端介質壓力低于出口端時,彈簧將閥芯推向閥座而使閥門關閉,阻止介質逆流,故起止回作用。由于采用彈簧支撐閥芯,故采用立式安裝或臥式裝均可。設計標準
主要性能
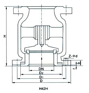
外形結構圖![]() 主要外形尺寸
|
||||||||||||||||||||||||||||||||||||||||||||||||||||||||||||||||||||||||||||||||||||||||||||||||||||||||||||||||||||||||||||||||||||||||||||||||||||||||||||||||||||||||||||||||||||||||||||||||||||||||||||||||||||||||||||||||||||||||||||||||||||||||||||||||||||||||||||||||||||||||||||||


關注官方微信