|
產品名稱:H44H,H44W日標法蘭止回閥
產品型號:H44H、H44W
產品口徑:DN50~DN300
產品壓力:10K~20K
產品材質:鑄鋼、不銹鋼
產品口徑:DN50~DN300
產品壓力:10K~20K
產品材質:鑄鋼、不銹鋼
產品名稱:日標法蘭止回閥 產品型號:H44H、H44W 公稱通徑:DN50~DN300結構形式:旋啟式公稱壓力:10K~20K連接方式:焊接、法蘭適用溫度:-29ºC~+550ºC
產品說明H44H、H44W日標法蘭止回閥廣泛適用于公稱壓力10K-20K,工作溫度-29~550℃的石油、化工、火力電站等各種工況的管路上,適用介質為:水、油品、蒸汽等。其主要作用是防止介質倒流、防止泵及其驅動電機機反轉,以及容器內介質的泄放。結構特點1、產品結構緊湊合理、密封可靠、性能優良。2、體積小、重量輕。 3、適用范圍廣。 4、閥瓣關閉快速、動作靈敏。 5、關閉沖擊力小、不易產生水錘現象。 6、流道通暢、流體阻力小。 引用標準
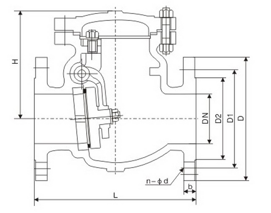
外形結構圖![]() 主要外形尺寸
|


關注官方微信