|
產品名稱:H41H,H41W升降式止回閥
產品型號:H41H、H41W
產品口徑:DN15~DN300
產品壓力:1.6MPa~10.0MPa
產品材質:鑄鋼、不銹鋼
產品口徑:DN15~DN300
產品壓力:1.6MPa~10.0MPa
產品材質:鑄鋼、不銹鋼
產品名稱:升降式止回閥 產品型號:H41H、H41W 公稱通徑:DN15~DN300結構形式:升降式公稱壓力:1.6MPa~10.0MPa連接方式:焊接、法蘭適用溫度:-29ºC~+550&
產品說明H41H、H41W升降式止回閥廣泛適用于公稱壓力PN1.6~10.0MPa,工作溫度-29~550℃的石油、化工、火力電站等各種工況的管路上,適用介質為:水、油品、蒸汽等。其主要作用是防止介質倒流、防止泵及其驅動電機機反轉,以及容器內介質的泄放。結構特點1、產品結構緊湊合理、密封可靠、性能優良。2、體積小、重量輕。 3、適用范圍廣。 4、閥瓣關閉快速、動作靈敏。 5、關閉沖擊力小、不易產生水錘現象。 6、流道通暢、流體阻力小。 零件材料
技術參數
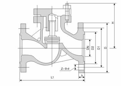
外形結構圖![]() 主要外形尺寸
安裝維護1、本閥門通路兩端須堵塞,存在干燥通風的室內。如長期存放,應經常檢查防銹蝕。2、安裝前應將閥門清洗干凈,并消除在運輸過程中造成的缺陷。 3、安裝時必須仔細核對閥門上的標志和銘牌是否符合使用要求。 4、升降式垂直瓣止回閥應安裝在垂直管道上。 5、升降式水平瓣止回閥應安裝在水平管道上。 6、在管線中不要使止回閥承受重量,大型的止回閥應獨立支撐,使之不受管系產生的壓力的影響。 7、安裝止回閥時,應特別注意介質流動方向,應使介質正常流動方向與閥體上指示的箭頭方向相一致,否則就會截斷介質的正常流動。底閥應安裝在水泵吸水管路的底端。 8、通式升降式止回閥應安裝于水平管路上,立式升降式止回閥和底閥一般安裝在垂直管路上,并且介質自下而上流動。 9、止回閥關閉時,會在管路中產生水錘壓力,嚴重時會導致閥門、管路或設備的損壞,尤其對于大口管路或高壓管路,故應引起止回閥選用者的高度注意。
|
|||||||||||||||||||||||||||||||||||||||||||||||||||||||||||||||||||||||||||||||||||||||||||||||||||||||||||||||||||||||||||||||||||||||||||||||||||||||||||||||||||||||||||||||||||||||||||||||||||||||||||||||||||||||||||||||||||||||||||||||||||||||||||||||||||||||||||||||||||||||||||||||||||||||||||||||||||||||||||||||||||||||||||||||||||||||||||||||||||||||||||||||||||||||||||||||||||||||||||||||||||||||||||||||||||||||||||||||||||||||||||||||||||||||||||||||||||||||||||||||||||||||||||||||||||||||||||||||||||||||||||||||||||||||||||||||||||||||||||||||||||||||||||||||||||||||||||||||||||||||||||||||||||||||||||||


關注官方微信