|
產品名稱:J61W不銹鋼焊接截止閥
產品型號:J61Y
產品口徑:DN15~DN300
產品壓力:1.6MPa~6.4.0MPa
產品材質:不銹鋼
產品口徑:DN15~DN300
產品壓力:1.6MPa~6.4.0MPa
產品材質:不銹鋼
產品名稱:不銹鋼焊接截止閥 產品型號:J61Y 公稱通徑:DN15~DN300結構形式:截止式公稱壓力:1.6MPa~6.4.0MPa連接方式:焊接、法蘭適用溫度:-29ºC~+570&or
產品說明J61W不銹鋼焊接截止閥適用于公稱壓力PN2.5~6.4MPa的石油 、化工 、水力 、火力電站各種系統的管路中,切斷或接通管路介質,,適用介質為:水、油品、蒸汽等。操作方式有:手動、齒輪傳動、電動等。產品特點1、結構簡單,制造和維修比較方便2、工作行程小,啟閉時間短 3、密封性好,密封面間磨擦力小,壽命較長 主要性能指標
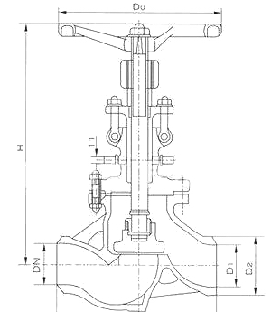
外形結構圖![]() 主要外形尺寸
|
|||||||||||||||||||||||||||||||||||||||||||||||||||||||||||||||||||||||||||||||||||||||||||||||||||||||||||||||||||||||||||||||||||||||||||||||||||||||||||||||||||||||||||||||||||||||||||||||||||||||||||||||||||||||||||||||||||||||


關注官方微信