|
產品名稱:QJH球芯截止閥
產品型號:QJH
產品口徑:DN6~DN80
產品壓力:31.5MPa~50.0MPa
產品材質:碳鋼、鑄鋼、不銹鋼
產品口徑:DN6~DN80
產品壓力:31.5MPa~50.0MPa
產品材質:碳鋼、鑄鋼、不銹鋼
產品名稱:球芯截止閥 產品型號:QJH 公稱通徑:DN6~DN80結構形式:截止式公稱壓力:31.5MPa~50.0MPa連接方式:板式、法蘭式、內螺紋、外螺紋適用溫度:-29ºC~+80&
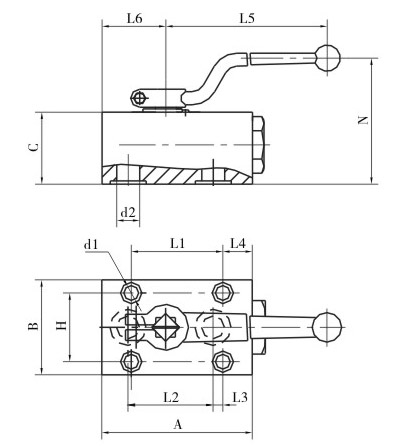
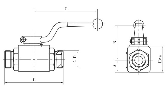
產品說明QJH球芯截止閥是我公司引進德國先進技術工藝,主要用于液壓管路中控制油液的流通和截止,采用球心結構具有流阻損失小,密封性能可靠,操作方便,外觀精美等特點。 適用介質:液壓油、水一乙二醇、其它混合液體。圖形符號 ![]() 型號說明 ![]() ① 系列代號Series Code:QJH系列球心截止閥 ② 壓力等級Pressure Grade:H-32MPa ③ 公稱通徑Nominal Path:6、10、15、20、25、32、40、50、65、80mm ④ 連接形式Joint Model:B-板式、F-法蘭式、NL-內螺紋連接、WL-外螺紋連接 板式球芯截止閥![]()
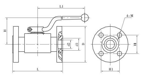
法蘭式球芯截止閥![]()
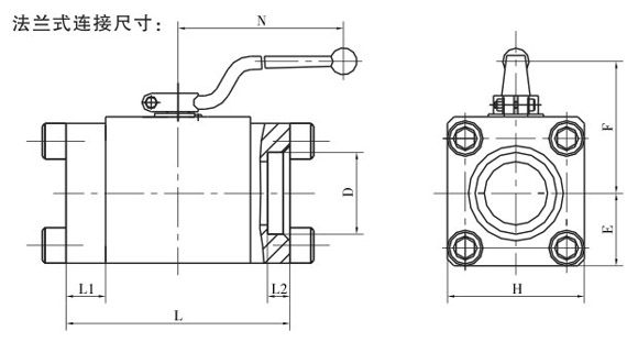
法蘭式球芯截止閥![]()
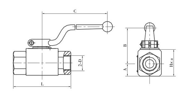
內螺紋球芯截止閥![]()
外螺紋球芯截止閥![]()
|








關注官方微信