|
產品名稱:Q46F四通球閥
產品型號:Q46F
產品口徑:DN15~DN100
產品壓力:1.6Mpa~4.0Mpa
產品材質:鑄鋼、不銹鋼
產品口徑:DN15~DN100
產品壓力:1.6Mpa~4.0Mpa
產品材質:鑄鋼、不銹鋼
產品名稱:四通球閥 產品型號:Q46F 公稱通徑:DN15~DN100結構形式:球形公稱壓力:1.6Mpa~4.0Mpa連接方式:法蘭、螺紋適用溫度:≤425ºC驅動方式:手動、蝸輪、
產品說明Q46F四通球閥在電站系統中稱為雙向供水轉閥(在石化系統中也稱空氣換向切換閥)適用于液體、氣體、粉塵、漿料及舍固體顆粒介質的循環系統。采用四通球閥替代該工藝管匯和閥組的工作原理,簡化程序、方便操作、降低成本、便于控制、同步性好。執行標準設計規范: GB/T12237 API 6D API 608 BS 5351結構長度: GB/T 12221 ASME B16.10 法蘭連接: GB/T 9113 ASME B16.5 試驗與檢驗:GB/T 13927 API598 API6D 特點1、針對電力系統冷卻器正反供水特定工藝過程設計,功能適用、可靠;2、頂裝式固定球四面座閥芯結構密封性能好、耐沙粒磨損、使用壽命長; 3、電動、氣動操作(必要時可切換到手動操作); 4、四通球閥便于控制控制箱與閥門間以及與上位機之間有良好的信息通道和操作介面:并可按工藝要求實現在一定時間間隔正反供水的自動切換。 切換示意圖![]() 構造圖![]() 圖中所標注數字解析1表示閥體,2表示鎖緊螺母,3表示O型圈,4表示螺栓,5表示底蓋,6表示墊片,7表示下閥桿,8表示球體,9表示密封圈,10表示閥座,11表示O型圈,12表示螺栓,13表示墊片,14表示閥蓋,15表示閥桿,16表示墊片,17表示填料墊,18表示填料,19表示銷軸,20表示活接螺栓,21表示螺母,22表示填料壓蓋。性能規范
主要零件材料
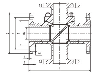
外形結構圖![]() 主要連接尺寸
|
|||||||||||||||||||||||||||||||||||||||||||||||||||||||||||||||||||||||||||||||||||||||||||||||||||||||||||||||||||||||||||||||||||||||||||||||||||||||||||||||||||||||||||||||||||||||||||||||||||||||||||||||||||||||||||||||||||||||||||||||||||||||||||||||||||||||||||||||||||||||||||||||||||||||||||||||||||||||||||||||||||||||||||||||||||||||||||||||||||||||||||||||||||||||||||||||||||||||||||||||||||||||||||||||||||||||||||||||||||||||||||||||||||||||||||||||||||||||||||||||||||||||||||||||||||||||||||||||||||||||||||||||||||||||||||||||||||||||||||||||||||||||||||||||||||||||||||||||||||||||||||||||||||||||||||||||||||||||||||||||||||||||||||||||||||||||||||||||||||||||||||||||||||||||||||||||||||||||||||||||||||||||||||||||||||||||||||||||||||||||||||||||||||||||||||||||||||||||||||||||||||||||||||||||||||||||||||||||||||||||||||||||||||||||||||||||||||||||||||||||||||||||||||||||||||||||||||||||||||||||||||||||||||||||||||||||||||




關注官方微信