|
產品名稱:BKH,MKH高壓球閥
產品型號:BKH、MKH
產品口徑:DN6~DN50
產品壓力:16.0Mpa~31.5Mpa~50.0Mpa
產品材質:鑄鋼、不銹鋼
產品口徑:DN6~DN50
產品壓力:16.0Mpa~31.5Mpa~50.0Mpa
產品材質:鑄鋼、不銹鋼
產品名稱:BKH、MKH高壓球閥 產品型號:BKH、MKH 公稱通徑:DN6~DN50結構形式:球形公稱壓力:16.0Mpa~31.5Mpa~50.0Mpa連接方式:SAE法蘭適用溫度:-20~+10
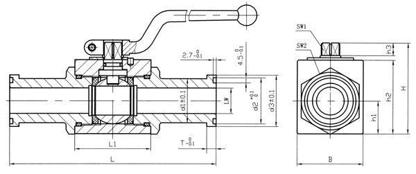
產品說明BKH、MKH高壓球閥適用于液壓系統和化工系統的各種管路上做為啟閉用。開關迅速、方便,流體阻力小,是所有閥類中流體阻力最小的一種只要閥桿轉動90°,球閥就完成了全開或全關動作,很容易實現快速啟閉。閥桿密封可靠。球閥啟閉時閥桿只作旋轉運動,因此閥桿的填料密封不易被破壞,而且閥桿倒密封的密封力隨著介質壓力的增加而增大。適用介質:液壓油、水一乙二醇、其它混合液體。產品特點BKH、MKH高壓球閥是我公司引進德國先進技術工藝,主要用于液壓管路中控制油液的流通和截止,本型球閥具有流阻損失小,密封性能可靠,操作方便,外觀精美等特點。圖形符號![]() 型號說明![]() ①產品代號:BKH、MKH系列高壓球閥 ②接頭標準:SAE J518C標準 ③壓力等級:210、420 bar ④公稱通徑:13、20、25、32、40、50 mm 外形結構圖![]() 主要外形尺寸表
主要外形尺寸表
|




關注官方微信