|
產品名稱:電動V型球閥
產品型號:VQ947H/F/Y、VQ977H/F/Y
產品口徑:DN25~DN500
產品壓力:1.6Mpa~4.0Mpa
產品材質:鑄鋼、不銹鋼
產品口徑:DN25~DN500
產品壓力:1.6Mpa~4.0Mpa
產品材質:鑄鋼、不銹鋼
產品名稱:電動V型球閥 產品型號:VQ947H/F/Y、VQ977H/F/Y 公稱通徑:DN25~DN500結構形式:球形公稱壓力:1.6Mpa~4.0Mpa連接方式:法蘭式、對夾式適用溫度:-20~
產品說明電動V型球閥是一種芯閥座采用金屬,或金屬對聚四氟乙烯密封配合的旋轉球閥,它將球閥和蝶閥的最佳控制特性結合成一體,既可用作控制調節閥,又可作關斷切斷閥。球芯上的V形切口與金屬閥座之間具有剪切作用,特別適用于控制高粘度,含纖維、固體顆粒及漿料等介質。結構制造紙工業的紙漿顯得尤為優越。閥門的流通能力大、壓力損失小、且介質不會沉積在閥體中腔,閥門不僅具有近似等有分比的流量特性、可調范圍大,最大可調比為100:1,還具有精確調節與可靠定位的功能。產品特點電動V型球閥是球閥的一種,它的關閉件是半球體上開有V字型開口,V型開口具有鋒利的刃口,在球體回轉過程中,關閉件之間有擦拭作用,對介質具有強有力的切斷力,球體的V型開口與閥座流道形成一個扇形區域,在回轉過程中可改變流道截面積,形成對介質的精確調節,它是一種角回轉的調節閥,其密封性能與普通球閥相同,使它同時具備調節和開關兩種功能,與氣動或電動執行器配套,廣泛使用于工業過程自控系統中。1、閥體整體式結構:對夾式和法蘭式V型球閥閥體都是整體側裝式結構,結構剛性強,不容易引起變形和外泄。 2、上下自潤滑軸承:閥體內裝有上下自潤滑軸承,與閥桿接觸面積大,承載能力高,磨擦系數小,使閥門的扭矩減少。 3、閥座可根據介質和工況的需要,選金屬硬密封或PTFE軟密封:金屬硬密封閥座密封表面堆焊硬質合金,球 面鍍硬鉻或噴焊、離子氮化等硬化處理,使密封面使用壽命增強,耐溫提高;軟密封PTFE閥座或增強PTFE閥座密封性好 耐腐蝕,適應范圍廣。 4、經濟實用性:閥體重量輕,閥桿扭矩小,配用氣動或電動執行器相應規格小,與其它類型的調節閥相比,性價比高。 5,介質適應范圍廣:由于V型開口與閥座之間的剪切作用力,及閥內腔流道的光滑圓整,使介質不易積存于內腔,所以 它除適合液體介質外,更適合于帶纖維及固體顆料介質的系統控制。 6、小流量精確控制:通過對小口徑閥芯特殊V型開口的加工,可實現小Cv值精確控制。 技術規范
閥座參數![]()
主要零件材質表![]()
主要技術參數及性能指標
執行器技術參數
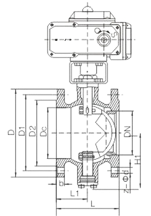
流量特性指數圖![]() VQ947(H/FY)法蘭式電動V型球閥結構圖![]() VQ947(H/FY)法蘭式電動V型球閥外形參數及連接尺寸(1.6MPa-2.5MPa)
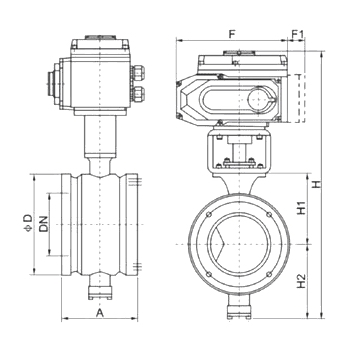
VQ977(H/FY)對夾式電動V型球閥結構圖![]() VQ977(H/FY)對夾式電動V型球閥外形參數及連接尺寸(1.6MPa-2.5MPa)
|
|||||||||||||||||||||||||||||||||||||||||||||||||||||||||||||||||||||||||||||||||||||||||||||||||||||||||||||||||||||||||||||||||||||||||||||||||||||||||||||||||||||||||||||||||||||||||||||||||||||||||||||||||||||||||||||||||||||||||||||||||||||||||||||||||||||||||||||||||||||||||||||||||||||||||||||||||||||||||||||||||||||||||||||||||||||||||||||||||||||||||||||||||||||||||||||||||||||||||||||||||||||||||||||||||||||||||||||||||||||||||||||||||||||||||||||||||||||||||||||||||||||||||||||||||||||||||||||||||||||||||||||||||||||||||||||||||||||||||||||||||||||||||||||||||||||||||||||||||||||||||||||||||||||||||||||||||||||||||||||||||||||||||||||||||||||||||||||||||||||||||||||||||||||||||||||||||||||||||||||||||||||||||||||||||||||||||||||||||||||||||||||||||||||||||||||||||||||||||||||||||||||||||||||||||||||||||||||||||||||||||||||||||||||||||||||||||||||||||||||||||||||||||||






關注官方微信