|
產品名稱:Q641H,Q641Y氣動高溫球閥
產品型號:Q641H/Y
產品口徑:DN15~DN300
產品壓力:1.6Mpa~16.0Mpa
產品材質:鑄鋼、不銹鋼
產品口徑:DN15~DN300
產品壓力:1.6Mpa~16.0Mpa
產品材質:鑄鋼、不銹鋼
產品名稱:氣動高溫球閥 產品型號:Q641H/Y 公稱通徑:DN15~DN300結構形式:球形公稱壓力:1.6Mpa~16.0Mpa連接方式:法蘭、對夾、內螺紋、焊接適用溫度:≤550º
產品說明Q641H/Y氣動高溫球閥是采用金屬硬密封球閥及活塞式氣動執(zhí)行器組成。密封面采用金屬硬密封閥座,可適用于≤500°以內的介質。氣動高溫球閥可配以閥門定位器輸入控制信號(4-20mADC或1-5VDC)氣源即可控制運轉。亦可配行程限位開關、電磁閥、減壓閥及0.4~0.7MPa氣源可實現開關操作,并送出二對無源觸點信號指示閥門的開關。氣動高溫球閥整體具有結構緊湊、體積精小、運行可靠、密封性好、維修容易、安裝方便、適應性強等優(yōu)點。特別適合于介質是粘稠、含顆粒、纖維性質的場合。氣動高溫球閥廣泛應用于石油、化工、教學設備、輕工、高壓設備、制藥、造紙等工業(yè)自動控制系統中,作遠距離集中控制或就地控制。主要技術參數及性能
主要設計標準
主要零件材料
內部解剖圖
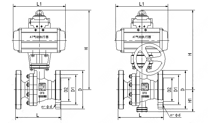
外形結構圖
|
||||||||||||||||||||||||||||||||||||||||||||||||||||||||||||||||||||||||||||||||||||||||||||||||||||||||||||||||||||||||||||||||||||||||||||||||||||||||||||||||||||||||||||||||||||||||||||||||||||||||||||||||||||||||||||||||||||||||||||||||||||||||||||||||||||||||||||||||||||||||||||||||||||||||||||||||||||||||||||||||||||||||||||||||||||||||||||||||||||||||||



關注官方微信