|
產品名稱:KHB3K(BK3)二位三通球閥
產品型號:KHB3K(BK3)
產品口徑:DN6~DN50
產品壓力:16.0Mpa~31.5Mpa~50.0Mpa
產品材質:鑄鋼、不銹鋼
產品口徑:DN6~DN50
產品壓力:16.0Mpa~31.5Mpa~50.0Mpa
產品材質:鑄鋼、不銹鋼
產品名稱:KHB3K(BK3)二位三通球閥 產品型號:KHB3K(BK3) 公稱通徑:DN6~DN50結構形式:球形公稱壓力:16.0Mpa~31.5Mpa~50.0Mpa連接方式:內螺紋、外螺紋適用
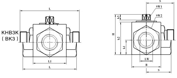
產品說明KHB3K(BK3)二位三通球閥適用于液壓系統和化工系統的各種管路上做為啟閉用。開關迅速、方便,流體阻力小,是所有閥類中流體阻力最小的一種只要閥桿轉動90°,球閥就完成了全開或全關動作,很容易實現快速啟閉。閥桿密封可靠。球閥啟閉時閥桿只作旋轉運動,因此閥桿的填料密封不易被破壞,而且閥桿倒密封的密封力隨著介質壓力的增加而增大。適用介質:液壓油、水一乙二醇、其它混合液體。產品特點KHB3K(BK3)二位三通球閥是我公司引進德國先進技術工藝,主要用于液壓管路中控制油液的流通和截止,本型球閥具有流阻損失小,密封性能可靠,操作方便,外觀精美等特點。圖形符號![]() 型號說明![]() ① 系列代號:KHB3K(BK3)系列二位三通球閥 ② 連接代號:M** 、G** 、 **LR 、**SR、PT**、NPT** ③ 閥體材料:1-鋼、2-不銹鋼 ④ 球體材料:1-鋼、2-黃銅、3-不銹鋼 ⑤ 工作溫度:1、-25~+100℃ 2、-30~+170℃ ⑥ 其他密封:2-丁晴橡膠、4-氟橡膠 ⑦ 手柄形式:01-鋁質直柄02-鋁質曲柄03-鑄鋅直柄04-鑄鋅曲柄05-鋼質直柄06-鋼質曲柄09-不帶手柄 ⑧ 設計序號:由生產商定 ⑨ 表面處理:空白-磷化、G-電鍍黃鋅 外形結構圖![]() M連接口略圖![]() M連接口外形尺寸表
G連接口略圖![]() G連接口外形尺寸表
NPT連接口略圖![]() NPT連接口外形尺寸表
LR連接口略圖![]() LR連接口外形尺寸表
SR連接口略圖![]() SR連接口外形尺寸表
|









關注官方微信