IMPA手冊 編號754504鑄鐵蝴蝶閥系列

| IMPA編號: | 754504 |
|---|---|
| 產品名稱: | 鑄鐵蝴蝶閥系列 |
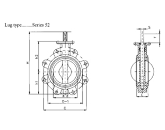
| 英文名稱: | DIN cast iron butterfly valves Series 50/52/55 |
| 產品規格: | VALVE BUTTERFLY CAST IRON DIN_FLANGED TYPE #55 PN16 100MM |
| 品牌/產地: | 中國 |
浦首訂貨須知:(國家標準)
一、A:產品名稱、型號、公稱通徑B:介質及溫度、壓力范圍C:是否有附件、交貨期、特殊要求等以便我們的為您正確選型。
二、若已經由設計單位選定我公司的閥門型號,請您根據閥門參數直接與我們銷售中心訂購。
三、當您使用的場合非常重要或環境比較復雜時,請您提供設計圖紙和詳細參數,我們的工程師專家會專心為您審核與分析。我們可以為您提供專業的解決方案,包括設計、定做、成套、運行、服務。我們一直致力于閥門行業領域的領導者,為您提供最新的閥門知識、最好的服務、最佳的技術顧問。感謝您訪問我們的網站【www.shpushou.com】,如有任何疑問,您可以致電給我們,我們一定會盡心盡力為您提供優質的服務。本廠專業提供球閥、蝶閥、閘閥、截止閥、止回閥、減壓閥、安全閥、船用閥門、油田閥門、水利控制閥門等各類閥門。

關注官方微信