|
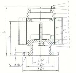
產品名稱:船用日標水艙空氣管頭JIS F3012
產品型號:
產品口徑:
產品壓力:
產品材質:
產品口徑:
產品壓力:
產品材質:
浦首訂貨須知:(國家標準)一、A:產品名稱、型號、公稱通徑B:介質及溫度、壓力范圍C:是否有附件、交貨期、特殊要求等以便我們的為您正確選型。二、若已經由設計單位選定我公司的閥門型號,請您根據閥門參數直
|
浦首訂貨須知:(國家標準) |



關注官方微信