|
產品名稱:鍛鋼保溫閘閥
產品型號:BZ41H
產品口徑:DN15-50
產品壓力:150LB-2500LB
產品材質:鍛鋼,不銹鋼等
產品口徑:DN15-50
產品壓力:150LB-2500LB
產品材質:鍛鋼,不銹鋼等
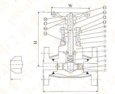
鍛鋼保溫閘閥主要用于石油、化工、冶金、制藥等各類系統中,溫度-29℃-550℃該閥門的夾套焊裝于閥門的兩法蘭之間,閥門的側面、底部設置有夾套的連接口,夾套中可自由地流過蒸汽或其它熱的保溫介質,確保粘稠...
鍛鋼保溫閘閥主要用于石油、化工、冶金、制藥等各類系統中,溫度-29℃-550℃該閥門的夾套焊裝于閥門的兩法蘭之間,閥門的側面、底部設置有夾套的連接口,夾套中可自由地流過蒸汽或其它熱的保溫介質,確保粘稠介質可順暢地流過閥門。 一、BZ41H鍛鋼保溫閘閥產品規格尺寸:
|
|||||||||||||||||||||||||||||||||||||||||||||||||||||||||||||||||||||||||||||||||

關注官方微信