|
產品名稱:M604W三閥組
產品型號:M604W
產品口徑:1/2”
產品壓力:≤6000Psi
產品材質:碳鋼,不銹鋼等
產品口徑:1/2”
產品壓力:≤6000Psi
產品材質:碳鋼,不銹鋼等
M604W-6000(PSI)C.P.R 型三閥組適用于1151系列電容差壓變送器。其作用是從引壓點將信號引入變送器正、負測量室,便引壓點與測量室接通或斷開,是1151電容變送器不可缺少的配件。M60...
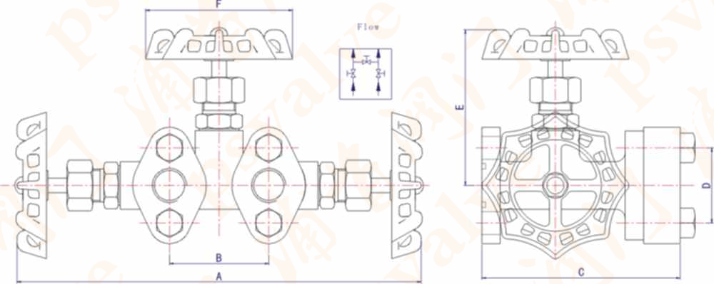
1. 制造標準: ASME B16.34-2004 2. 連接形式: 法蘭連接 3. 結構特征: 錐面密封 4. 閥門檢驗與試驗: API598-19965. 公稱壓力: ≤6000Psi6. 適用工作溫度: -29℃~+538℃7. 適用介質: 水,油,氣等腐蝕性與非腐蝕性介質8. 材質: 碳鋼(A105,20#,35#);不銹鋼(304,304L,316,316L,321) 9. 公稱通徑: DN6…M604W三閥組尺寸圖:
|

關注官方微信