|
產品名稱:U44SM角式柱塞閥
產品型號:U41SM
產品口徑:DN15~DN400
產品壓力:
產品材質:鑄鋼、不銹鋼
產品口徑:DN15~DN400
產品壓力:
產品材質:鑄鋼、不銹鋼
產品名稱:角式柱塞閥 產品型號:U41SM 公稱通徑:DN15~DN400結構形式:柱塞角式工作壓力:1.6MPa~4.0MPa連接方式:法蘭適用溫度:-29ºC~+550ºC驅動
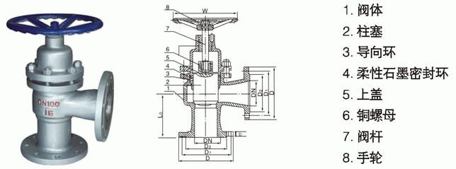
產品說明U44SM角式柱塞閥與直通式柱塞閥的工作原理完全相同,只不過是安裝在管線中的位置不同,因而石油、化工、化肥、制藥等長輸管線中有不少的拐角轉彎處,而角式柱塞閥正好裝在這個部位,這樣不但減少了接管彎頭,安裝方便,省工、省料等特點。柱塞閥的關閉由一個不銹鋼柱塞、上下兩只富彈性密封圈及一個金屬隔框組成,密封效果由柱塞與密封圈緊密配合來達到,柱塞插在兩只密封圈中,密封面積遠大于普通截止閥;開關柱塞閥時,柱塞在密封圈中緩慢移動,接觸面幾乎不磨損,關閉時,柱塞插入下密封圈,截斷流道;開啟時,柱塞雖然脫離下密封圈,但仍藏在上密封圈內,保持與外界隔離,不致發生泄漏。廣泛用于石油化工、化工、煤氣、天然氣、液化石油氣、暖通行業以及一般工業中。外形結構圖![]() 主要外形尺寸1.6MPa
主要外形尺寸2.5MPa
|
|||||||||||||||||||||||||||||||||||||||||||||||||||||||||||||||||||||||||||||||||||||||||||||||||||||||||||||||||||||||||||||||||||||||||||||||||||||||||||||||||||||||||||||||||||||||||||||||||||||||||||||||||||||||||||||||||||||||||||||||||||||||||||||||||||||||||||||||||||||||||||||||||||||||||||||||||||||||||||||||||||||||||||||||||||||||||||||||||||||||||||


關注官方微信