|
產品名稱:200X可調式穩壓閥
產品型號:200X
產品口徑:DN20~DN800
產品壓力:
產品材質:鑄鐵、鑄鋼、不銹鋼、黃銅
產品口徑:DN20~DN800
產品壓力:
產品材質:鑄鐵、鑄鋼、不銹鋼、黃銅
產品名稱:可調式穩壓閥 產品型號:200X 公稱通徑:DN20~DN800結構形式:活塞式、隔膜式工作壓力:1.0MPa~2.5MPa連接方式:法蘭適用溫度:-20ºC~+80ºC
產品說明200X可調式穩壓閥由主閥、導閥、針閥、球閥、微型過濾器和壓力表組成水力控制接管系統。使用時,當調定出口壓力后,能自動保持穩定出口壓力??烧{式穩壓閥利用導閥自力控制,不需要其它裝置和能源,保養簡便,壓力控制準確度高,受進口壓力和流量影響小,減壓穩壓可靠。200X可調式穩壓閥廣泛用于高層建筑、生活區等供水管網系統及城市供水工程。工作原理當閥門從進口端給水時,水流過針閥進入主閥控制室,出口壓力通過導管作用到導閥上。當出口壓力高于導閥彈簧設定值時,導閥關閉。控制室停止排水,此時主閥控制室內壓力升高并關閉主閥,出口壓力不再升高。當閥門出口壓力降到導閥彈簧設定壓力時,導閥開啟,控制室向下游排水。由于導閥系統排水量大于針閥的進水量,主閥控制室壓力下降。進口壓力使主閥開啟。在穩定狀態下,控制室進水、排水相同,主閥開度不變,出口壓力穩定。調節導閥彈簧即可設定出口壓力。 技術參數
主要零件材料
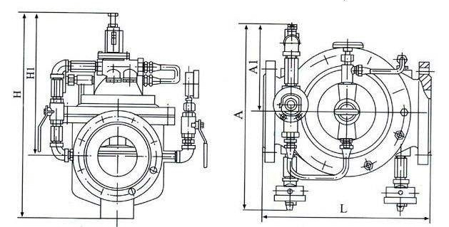
外形結構圖![]() 主要外形尺寸
安裝示意圖![]()
|
||||||||||||||||||||||||||||||||||||||||||||||||||||||||||||||||||||||||||||||||||||||||||||||||||||||||||||||||||||||||||||||||||||||||||||||||||||||||||||||||||||||||||||||||||||||||||||||||||||||||||||||||||||||||||||||||||||||||||||||||||||||||||||||||||||||||||||||||||||||||||||||||||||||||||||||||||||||||||||||||||||||||||||||||||||||||||||||||||||||||||||||||||||||||||||||||||||||||||||||||||||||||||||||||||||||||||||||||||||||||||||||||||||||||||||||||||||||||||||||||||||||



關注官方微信