|
產品名稱:X44W,X43W鑄鋼旋塞閥
產品型號:X44W、X43W
產品口徑:DN15~DN300
產品壓力:1.0MPa
產品材質:鑄鋼
產品口徑:DN15~DN300
產品壓力:1.0MPa
產品材質:鑄鋼
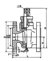
產品名稱:鑄鋼旋塞閥 產品型號:X44W、X43W 公稱通徑:DN15~DN300結構形式:圓柱形或圓錐形公稱壓力:1.0MPa連接方式:法蘭、內螺紋適用溫度:-29ºC~+200º
產品說明X44W、X43W鑄鋼旋塞閥是關閉件或柱塞形的旋轉閥,通過旋轉90度使閥塞上的通道口與閥體上的通道口相通或分開,實現開啟或關閉的一種閥門。旋塞閥廣泛地應用于油田開采、輸送和精練設備中,同時也廣泛用于石油化工、化工、煤氣、天然氣、液化石油氣、暖通行業以及一般工業中。工作原理它的閥塞的形狀可成圓柱形或圓錐形。在圓柱形閥塞中,通道一般成矩形;而在錐形閥塞中,通道成梯形。這些形狀使旋塞閥的結構變得輕巧。最適于作為切斷和接通介質以及分流適用,但是依據適用的性質和密封面的耐沖蝕性,有時也可用于節流。產品特點1、旋塞閥用于經常操作,啟閉迅速、輕便。2、旋塞閥流體阻力小。 3、旋塞閥結構簡單,相對體積小,重量輕,便于維修。 4、密封性能好。 5、不受安裝方向的限制,介質的流向可任意。 6、無振動,噪聲小。 性能規范
主要材料
外形結構圖![]() 主要外形尺寸
外形結構圖![]() 主要外形尺寸
外形結構圖![]() 主要外形尺寸
外形結構圖![]() 主要外形尺寸
|
||||||||||||||||||||||||||||||||||||||||||||||||||||||||||||||||||||||||||||||||||||||||||||||||||||||||||||||||||||||||||||||||||||||||||||||||||||||||||||||||||||||||||||||||||||||||||||||||||||||||||||||||||||||||||||||||||||||||||||||||||||||||||||||||||||||||||||||||||||||||||||||||||||||||||||||||||||||||||||||||||||||||||||||||||||||||||||||||||||||||||||||||||||||||||||||||||||||||||||||||||||||||||||||||||||||||||||||||||||||||||||||||||||||||||||||||||||||||||||||||||||||||||||||||||||||||||||||||||||||||||||||





關注官方微信