|
產品名稱:X47H提升式金屬密封旋塞閥
產品型號:X47H
產品口徑:DN40~DN450
產品壓力:150LB~300LB~600LB~900LB~1500LB
產品材質:鑄鋼、不銹鋼
產品口徑:DN40~DN450
產品壓力:150LB~300LB~600LB~900LB~1500LB
產品材質:鑄鋼、不銹鋼
產品名稱:提升式金屬密封旋塞閥 產品型號:X47H 公稱通徑:DN40~DN450結構形式:圓柱形或圓錐形公稱壓力:150LB~300LB~600LB~900LB~1500LB連接方式:法蘭適用溫度:
產品說明X47H提升式金屬密封旋塞閥采用了先提升后啟閉的閥門操作方式,大大減少了旋塞閥的啟閉力矩,而且不同于傳統旋塞閥采用矩形縮徑通道,該閥門通常采用圓形通道,使旋塞閥的流體阻力大大減少,金屬硬密封提升式金屬密封旋塞閥兼有球閥與閘閥的有點,能用于高溫、高壓工況,大大擴展了旋塞閥的使用范圍。結構特點1、提升式金屬密封旋塞閥啟閉時先提升旋塞,使旋塞與閥座密封面相脫離,然后 90°旋轉旋塞,使閥門開啟或關閉。由于閥門在啟閉過程中旋塞與閥座相脫離,故閥門的啟閉非常輕松,而且密封面在開啟或關閉過程中不易擦傷,閥門使用壽命長。2、提升式金屬密封旋塞閥無論處在開啟狀態或關閉狀態,密封面均受到保護,不受介質沖刷,密封緊密可靠。 3、普通旋塞閥采用矩形流道,且流道面積縮減,有較大的流體阻力損失,而金屬硬密封提升式金屬密封旋塞閥采用與管道截面積相同的圓形通道,流體阻力最小。 4、提升式金屬密封旋塞閥結構緊湊,體積小,與閘閥相比,閥門的高度尺寸大大減小,與截止閥相比,流體阻力大大減小。 5、與普通旋塞閥相比,提升式金屬密封旋塞閥適用的壓力及溫度范圍更大。 6、提升式金屬密封旋塞閥兩側閥座密封面均可密封,閥門的安裝與使用不受介質流向的限制。 7、提升式金屬密封旋塞閥關閉時,可通過手輪和閥桿對閥座密封面加壓,通過加大密封比壓,可使旋塞閥具有更好的密封性能。 8、閥座密封面凸起,便于密封面清洗,密封面上不易積存結晶介質或固體顆粒。 標準規范
性能規范
零部件材料
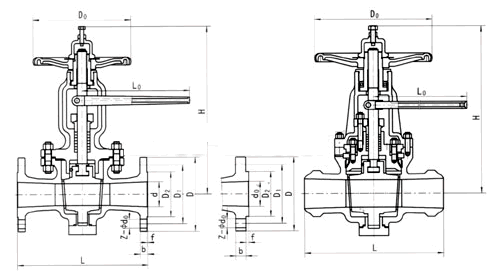
外形結構圖![]() 主要外形尺寸150LB
主要外形尺寸300LB
主要外形尺寸600LB
主要外形尺寸900LB
|
|||||||||||||||||||||||||||||||||||||||||||||||||||||||||||||||||||||||||||||||||||||||||||||||||||||||||||||||||||||||||||||||||||||||||||||||||||||||||||||||||||||||||||||||||||||||||||||||||||||||||||||||||||||||||||||||||||||||||||||||||||||||||||||||||||||||||||||||||||||||||||||||||||||||||||||||||||||||||||||||||||||||||||||||||||||||||||||||||||||||||||||||||||||||||||||||||||||||||||||||||||||||||||||||||||||||||||||||||||||||||||||||||||||||||||||||||||||||||||||||||||||||||||||||||||||||||||||||||||||||||||||||||||||||||||||||||||||||||||||||||||||||||||||||||||||||||||||||||||||||||||||||||||||||||||||||||||||||||||||||||||||||||||||||||||||||||||||||||||||||||||||||||||||||||||||||||||||||||||||||||||||||||||||||||||||||||||||||||||||||||||||||||||||||||||||||||||||||||||||||||||||||||||||||||||


關注官方微信