|
產品名稱:JJM1,JJM8壓力表針型閥
產品型號:JJM1、JJM8
產品口徑:DN5~DN6
產品壓力:2.5MPa~16.0MPa
產品材質:鑄鋼、不銹鋼
產品口徑:DN5~DN6
產品壓力:2.5MPa~16.0MPa
產品材質:鑄鋼、不銹鋼
產品名稱:壓力表針型閥 產品型號:JJM1、JJM8 公稱通徑:DN5~DN6結構形式:錐面或球面密封公稱壓力:2.5MPa~16.0MPa連接方式:內螺紋適用溫度:-40ºC~+540&o
產品說明JJM1、JJM8壓力表針型閥是由內螺紋連接,適用于油﹑水﹑氣等多種非腐蝕性或腐蝕性介質,適用于-29℃~+440℃ -70℃~-240℃ ≤540℃ ≤570℃。比其他類型的閥門,壓力表針型閥具有更好的密封性能和耐受壓力的能力,一般用于較小流量,較高壓力的氣體或者液體介質的密封,最合適與與壓力表配合。產品特點1. 制造標準: GB/T12224-2005 JB/T7747-19952. 連接形式: 管接頭內螺紋連接(NPT,G,Rc,Rp…) 3. 結構特征: 錐面或球面密封 4. 閥門檢驗和試驗: GB/T13927-1992 5. 公稱壓力: ≤10000Psi 6. 適用工作溫度: -29℃~+538℃ 7. 適用介質: 水,油,氣等腐蝕性與非腐蝕性介質 8. 公稱通徑: DN6,DN10,DN15,DN20,DN25… 主要零件材料
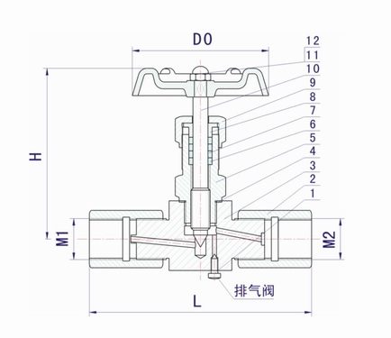
外形結構圖![]() 主要外形尺寸
外形結構圖
|



關注官方微信