|
產品名稱:D671X氣動對夾式蝶閥
產品型號:D671X、D671F
產品口徑:DN50~DN1000
產品壓力:1.0Mpa~1.6MPa
產品材質:鑄鐵、球墨鑄鐵、鑄鋼、不銹鋼
產品口徑:DN50~DN1000
產品壓力:1.0Mpa~1.6MPa
產品材質:鑄鐵、球墨鑄鐵、鑄鋼、不銹鋼
產品名稱:氣動對夾式蝶閥 產品型號:D671X、D671F 公稱通徑:DN50~DN1000閥座密封:丁青橡膠、聚四氟乙烯公稱壓力:1.0Mpa~1.6MPa連接方式:對夾、法蘭適用溫度:-20&or
產品說明D671X氣動對夾式蝶閥是由氣動活塞式執行器、橡膠密封蝶閥和碳鋼或不銹鋼閥板、閥桿構成。氣動對夾式蝶閥適用于溫度≤120℃如食品、醫藥、化工、石油、電力、輕紡、造紙等給排水、氣體管道上作調節流量和截流介質的作用。主要特點(1)設計新穎、合理、結構獨特,重量輕,啟閉迅速。(2)操力矩小,操作方便,省力靈巧。 (3)可以任何位置安裝,維修方便。 (4)密封件可以更換,密封性能可靠達到雙向密封零泄漏。 (5)密封材料耐老化、耐腐蝕,使用壽命長等特點。 設計標準
技術參數
氣動執行器參數
1、齒輪式雙活塞,輸出力矩大,體積小。 2、氣缸選用鋁金材料,重量輕、外形美觀。 3、可在頂部、底部安裝手動操作機構。 4、齒條式連接可調節開啟角度、額定流量。 5、執行器可選帶電訊號反饋指示及各類附件以實現自動化操作。 6、IS05211標準連接為產品的安裝更換提供了方便。 7、兩端調的節螺釘可使標準產品在0°和90°有±4°的可調范圍。確保與閥門的同步精度。 零件材料
性能規范
密封材料和適用溫度
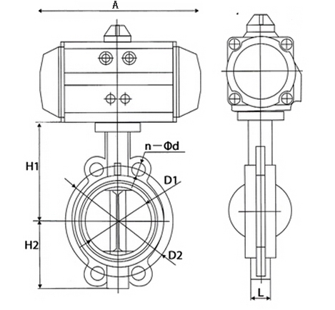
外形結構圖![]() 主要外形連接尺寸
|
||||||||||||||||||||||||||||||||||||||||||||||||||||||||||||||||||||||||||||||||||||||||||||||||||||||||||||||||||||||||||||||||||||||||||||||||||||||||||||||||||||||||||||||||||||||||||||||||||||||||||||||||||||||||||||||||||||||||||||||||||||||||||||||||||||||||||||||||||||||||||||||||||||||||||||||||||||||||||||||||||||||||||||||||||||||||||||||||||||||||||||||||||||||||||||||||||||||||||||||||||||||||||||||||||||||||||||||||||||||||||||||||||||||||||||||||||||||||||||||||||||||


關注官方微信