|
產品名稱:XD371X消防信號蝶閥
產品型號:XD371X
產品口徑:DN50~DN300
產品壓力:1.0Mpa~1.6MPa
產品材質:鑄鐵、球墨鑄鐵、鑄鋼、不銹鋼
產品口徑:DN50~DN300
產品壓力:1.0Mpa~1.6MPa
產品材質:鑄鐵、球墨鑄鐵、鑄鋼、不銹鋼
產品名稱:消防信號蝶閥 產品型號:XD371X 公稱通徑:DN50~DN300閥座密封:丁青橡膠、聚四氟乙烯公稱壓力:1.0Mpa~1.6MPa連接方式:對夾、法蘭適用溫度:-20ºC~+8
產品說明XD371X消防信號蝶閥適用于消防系統中控制閥門,要求常開的場合,當閥門開或關到指定位置時,閥門上的信號裝置便可發出信號送至消防檢測中心可以顯示出蝶閥開啟或關閉,以防止閥門誤關閉而影響自動噴水滅火功能。產品特點XD371X消防信號蝶閥引進國外先進技術而自行開發的中線型蝶閥,當閥門被誤關閉25%(全開度的1/4)時,電信號裝置便輸出被誤關閉的信號到消防控制中心。XD371X消防信號蝶閥是消防自動噴水滅火系統的最佳配套產品。XD371X信號蝶閥的電信號裝置設計于蝸桿、蝸輪驅動裝置的頂部,并與閥桿直聯傳動,在精密全封閉的機電裝置內,沒有閥門開啟度機械指示器和進口電氣元件及防銹機件。輸出信號長期穩定可靠。是消防工程中ZS系列自動噴水來滅火系統的控制閥,是一種蝸輪傳動對夾帶有啟閉信號裝置的蝶閥,具有顯示滅水裝置水源啟閉功能,該閥具有密封性能好、開閉靈活、啟閉顯示位置準確、可靠、防潮等特點。產品優點1、小型輕便,容易拆裝及維修,并可以任意位置安裝。2、結構簡單、緊湊、90°旋轉啟閉迅速。 3、操作扭矩小,省力輕巧。 4、達到完全密封,氣體試驗泄漏為零。 5、選擇不同零部件材質,可適用多種介質。 6、流量特性趨于直線,調節性能好。 7、啟閉試驗次數多達萬次,使用壽命長。 性能參數
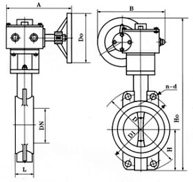
外形結構圖![]() 主要外形和連接尺寸
|
|||||||||||||||||||||||||||||||||||||||||||||||||||||||||||||||||||||||||||||||||||||||||||||||||||||||||||||||||||||||||||||||||||||||||||||||||||||||||||||||||||||||||||||||||||||||||||||||


關注官方微信