|
產品名稱:D671X-10S氣動塑料蝶閥
產品型號:D971X-10S
產品口徑:DN40~DN300
產品壓力:0.6Mpa~1.6MPa
產品材質:PVC、UPVC、CPVC、PPR、ABS、PVDF
產品口徑:DN40~DN300
產品壓力:0.6Mpa~1.6MPa
產品材質:PVC、UPVC、CPVC、PPR、ABS、PVDF
產品名稱:氣動塑料蝶閥 產品型號:D971X-10S 公稱通徑:DN40~DN300閥座密封:橡膠密封或者四氟密封公稱壓力:0.6Mpa~1.6MPa連接方式:對夾式適用溫度:-25ºC~+
產品說明D671X-10S氣動塑料蝶閥適用于帶腐蝕性介質的輸送過程的截流,根據不同材質溫度-14℃~100℃、-40℃~140℃。耐腐性能優異,延長使用壽命。轉動靈活、使用方便。泄漏點少,強度高,裝拆方便。含硬顆粒液體容易使球表面劃傷。全部零件采用FRPP、PVDF、CPVC、UPVC、PVC、RPP 、ABS注塑件組裝成型,耐腐蝕性能優良。技術參數
性能規范
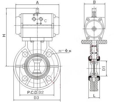
外形結構圖![]() 外形連接尺寸
|
||||||||||||||||||||||||||||||||||||||||||||||||||||||||||||||||||||||||||||||||||||||||||||||||||||||||||||||||||||||||||||||||||||||||||||||||||||||||||||||||||||||||||||||||||||||||||||||||||||||||


關注官方微信