|
產品名稱:D971X-10S電動塑料蝶閥
產品型號:D971X-10S
產品口徑:DN40~DN300
產品壓力:0.6Mpa~1.6MPa
產品材質:PVC、UPVC、CPVC、PPR、ABS、PVDF
產品口徑:DN40~DN300
產品壓力:0.6Mpa~1.6MPa
產品材質:PVC、UPVC、CPVC、PPR、ABS、PVDF
產品名稱:電動塑料蝶閥 產品型號:D971X-10S 公稱通徑:DN40~DN300閥座密封:橡膠密封或者四氟密封公稱壓力:0.6Mpa~1.6MPa連接方式:對夾式適用溫度:-25ºC~+
產品說明D971X-10S電動塑料蝶閥采用一體式精小型電動執行器與塑料蝶閥組成,電動執行機構無須配伺服放大器,輸入220V電源即可直接進行開關量調節,亦可內置伺服模塊,輸入控制信號(4~20mADC或1~5VDC)及單相電源即可控制運轉。具有連線簡單,結構緊湊、尺寸小、重量輕、阻力小、動作穩定可靠等優點外型結構緊湊美觀 本體重量輕容易安裝 耐腐蝕性強,應用范圍廣材質衛生無毒 耐磨損、容易拆卸,維護簡單易行。適用于帶腐蝕性介質的輸送過程的截流,根據不同材質溫度-14℃~100℃、-40℃~140℃。密封圈采用F4。耐腐性能優異,延長使用壽命。轉動靈活、使用方便。泄漏點少,強度高,裝拆方便。含硬顆粒液體容易使球表面劃傷。全部零件采用FRPP、PVDF、CPVC、UPVC、PVC、RPP 、ABS注塑件組裝成型,耐腐蝕性能優良。電動執行器1、殼體:殼體為硬質鋁合金,經陽極氧化處理和聚酯粉末涂層,耐腐蝕性強,防護等級為IP67,NEMA4和6,并有IP68型供選擇。2、電機:全封閉式鼠籠式電機,體積小,扭矩大,慣性力小,絕緣等級為F級,內置過熱保護開關,可防止過熱損壞電機。 3、手動結構:手柄的設計保證安全可靠、省力、體積小。不通電時,扳動手柄可進行手動操作。不用手動時,將扳手置于扳手夾內,方便使用。 4、指示器:指示器安裝在中心軸上,可以觀察閥門位置。透鏡采用凸出鏡設計,不積水,觀察更方便。 5、干燥器:用來控制溫度,防止由于溫度和天氣變化導致執行器內部水分凝結,保持內部電氣元件的干燥。 6、密封:密封性好,標準產品防護等級是IP67,并可選IP68防護等級。 7、限位開關:機械,電子雙重限位。機械限位螺釘可調,安全可靠;電子限位開關由凸輪機構來控制,簡單的調整機構能精確并方便地設定位置,且不受手輪過量的影響。 8、自鎖:精密的蝸輪蝸桿機構可高效傳輸大扭矩,效率高,噪音低(最大50分貝),壽命長;有自鎖功能,防止反轉,傳動部分穩定可靠,無需再加油。 9、防脫螺栓:拆除外殼時,螺栓附在殼體上,不會脫落。 10、安裝:底部安裝尺寸符合ISO5211/ DIN3337國際標準,孔成雙四方形便于帶方桿的閥線性或45°轉角安裝,適應性強??梢源怪卑惭b,也可以水平安裝。 11、線路:控制線路符合單相或三相電源標準,線路布置緊湊合理,接線端子可有效滿足各種附加功能的要求。 技術參數
性能規范
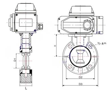
外形結構圖![]() 外形連接尺寸
|
||||||||||||||||||||||||||||||||||||||||||||||||||||||||||||||||||||||||||||||||||||||||||||||||||||||||||||||||||||||||||||||||||||||||||||||||||||||||||||||||||||||||||||||||||||||||||||||||||||||||||||||||||||||||||||||||||||||||||||||||||||||||||||||||||||||||||||||||||||||||||||||||||||||||||||||||||||||||||||||||||||||||||||||||||||||||||


關注官方微信