|
產品名稱:D371X蝸輪對夾式軟密封蝶閥
產品型號:D371X
產品口徑:DN50~DN1000
產品壓力:1.0Mpa~1.6MPa
產品材質:鑄鐵、球墨鑄鐵、鑄鋼、不銹鋼
產品口徑:DN50~DN1000
產品壓力:1.0Mpa~1.6MPa
產品材質:鑄鐵、球墨鑄鐵、鑄鋼、不銹鋼
產品名稱:蝸輪對夾式軟密封蝶閥 產品型號:D371X 公稱通徑:DN50~DN1000閥座密封:橡膠、四氟公稱壓力:1.0Mpa~1.6MPa連接方式:對夾、法蘭適用溫度:-20ºC~+15
產品說明D371X蝸輪對夾式軟密封蝶閥該產品由橡膠或四氟密封蝶閥和碳鋼或不銹鋼閥板、閥桿構成。適用于溫度≤80~120℃如食品、醫藥、化工、石油、電力、輕紡、造紙等給排水、氣體管道上作調節流量和截流介質的作用。產品特點1、密封件可以更換,密封性能可靠達到雙向密封零泄漏。2、操力矩小,操作方便,省力靈巧。 3、可以任何位置安裝,維修方便。 4、設計新穎、合理、結構獨特,重量輕,啟閉迅速。 5、密封材料耐老化、耐弱腐蝕,使用壽命長等特點。 主要技術參數
主要零件材料
密封材料選用和適用溫度
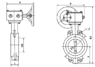
外形結構圖![]() 主要外形連接尺寸
|
|||||||||||||||||||||||||||||||||||||||||||||||||||||||||||||||||||||||||||||||||||||||||||||||||||||||||||||||||||||||||||||||||||||||||||||||||||||||||||||||||||||||||||||||||||||||||||||||||||||||||||||||||||||||||||||||||||||||||||||||||||||||||||||||||||||||||||||||||||||||||||||||||||||||||||||||||||||||||||||||||||||||||||||||||||||||||||||||||||||||||||||||||||||||


關注官方微信