|
產品名稱:SD341X,SD343H蝸輪傳動伸縮蝶閥
產品型號:SD341X/SD343H
產品口徑:DN40~DN1200
產品壓力:0.6MPa~1.0MPa~1.6MPa
產品材質:鑄鐵、球墨鑄鐵、鑄鋼、不銹鋼
產品口徑:DN40~DN1200
產品壓力:0.6MPa~1.0MPa~1.6MPa
產品材質:鑄鐵、球墨鑄鐵、鑄鋼、不銹鋼
產品名稱:蝸輪傳動伸縮蝶閥 產品型號:SD341X/SD343H 公稱通徑:DN40~DN1200閥座密封:橡膠密封或金屬硬密封公稱壓力:0.6MPa~1.0MPa~1.6MPa連接方式:法蘭式適用溫
產品說明SD341X/SD343H蝸輪傳動伸縮蝶閥具有自動補償管道熱脹冷縮方便裝卸的功能,使用于溫度在425℃以下,公稱壓力在1.6MPa以下的石油、化工、電力、造紙、給排水和市政建設等工業管道上作調節流量和載斷流體的最佳裝置。產品特點1、結構獨特,設計靈活,重量輕,省力,啟閉迅速。2、伸縮蝶閥不僅能補償管道溫差縮產生的熱脹冷縮的功能,還能為維修閥門安裝更換提供方便。 3、密封部位可調節更換,密封性能可靠。 性能參數
技術參數
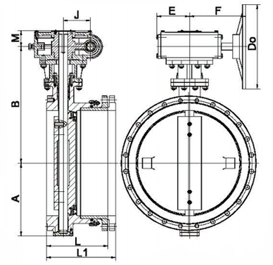
外形結構圖![]() 主要外形尺寸
安裝注意事項1、安裝前必須平放,切勿隨意磕碰,運行時嚴禁將支架卸掉。2、出廠時結構長度為最小長度,安裝時,拉至安裝長度(即設計長度)。 3、當管道間長度超過伸縮閥安裝長度時,請調整管道間隔,切勿強行拉伸縮蝶閥,以免損壞蝶閥。 4、可在任意安裝,做溫度補償用時,在管道安裝完成后,需沿管道軸線方向兩端加支架,防止伸縮閥伸縮管拉出。
|
|||||||||||||||||||||||||||||||||||||||||||||||||||||||||||||||||||||||||||||||||||||||||||||||||||||||||||||||||||||||||||||||||||||||||||||||||||||||||||||||||||||||||||||||||||||||||||||||||||||||||||||||||||||||||||||||||||||||||||||||||||||||||||||||||||||||||||||||||||||||||||||||||||||||||||||||||||||||||||||||||||||||||||||||||||||


關注官方微信