|
產品名稱:ZLF自力式控制閥
產品型號:ZLF
產品口徑:DN15~DN350
產品壓力:1.6MPa
產品材質:球墨鑄鐵、鑄鋼、不銹鋼
產品口徑:DN15~DN350
產品壓力:1.6MPa
產品材質:球墨鑄鐵、鑄鋼、不銹鋼
產品名稱:自力式控制閥 產品型號:ZLF 公稱通徑:DN15~DN350功能作用:控制流量、控制壓力公稱壓力:1.6MPa連接方式:法蘭式、內螺紋適用溫度:-0ºC~+80ºC驅動
產品說明ZLF自力式控制閥是一種利用介質本身的壓力變化來進行自我調控,從而保持流經該被控系統流量不變的閥門,ZLF自立式平衡閥具有流量指示,可在線調節,適用于供熱及空調系統等非腐蝕性介質的流量控制。運行前一次性測試調節,可使系統流量自動恒定在預先設置的設定值。ZLF自力式控制閥流量調節準確,操作簡單,運作平穩,性能可靠,使用壽命長。 產品特點1、可按設計要求或實際要求設定流量,自動消除系統的壓差波動,保持流量不變。 零部件材料
性能規范
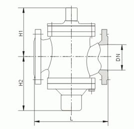
外形結構圖
主要外形尺寸
安裝示意圖
|



關注官方微信